Cảm biến WTB4S-3N1361
đại lý WTB4S-3N1361 | nhà phân phối WTB4S-3N1361
Thông số kỹ thuật cảm biến tiệm cận Sick:Thông số kỹ thuật cơ khí/điện
Sơ đồ kết nối Cd-043
Đường cong đặc tính WTB4S-3, 180 mm
Sơ đồ phạm vi cảm biến WTB4S-3, 180 mm
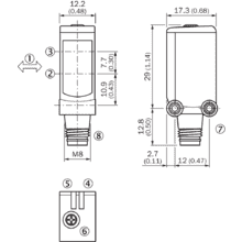
Bản vẽ kích thước WTB4S-3, chiết áp
| Nguyên lý cảm biến/phát hiện | Photoelectric proximity sensor, Background suppression |
| Kích thước (W x H x D) | 12.2 mm x 41.8 mm x 17.3 mm |
| Thân design (light emission) | Rectangular |
| Phạm vi đo cảm biến max. | 4 mm … 180 mm |
| Phạm vi đo cảm biến | 10 mm … 180 mm |
| Loại ánh sáng | Visible red light |
| Nguồn sáng | PinPoint LED |
| Kích thước điểm sáng (khoảng cách) | Ø 6.5 mm (150 mm) |
| Chiều dài sóng | 650 nm |
| Điều chỉnh | Potentiometer, 5 turns |
| Nguồn điện | 10 V DC … 30 V DC |
| Gợn sóng | < 5 Vpp |
| Power consumption | 20 mA |
| Chuyển đổi đầu ra | NPN |
| Chuyển đổi chế độ | Light switching |
| Dòng điện đầu ra Imax. | ≤ 100 mA |
| Thời gian đáp ứng | < 0.5 ms |
| Chuyển đổi thường xuyên | 1,000 Hz |
| Kiểu kết nối | Cable, 3-wire, 2 m |
| Vật liệu cáp | PVC |
| Conductor cross-section | 0.14 mm² |
| Cable diameter | Ø 3.4 mm |
| Bảo vệ mạch | A 7)
C 8) D 9) |
| Protection class | III |
| Khối lượng | 30 g |
| Vật liệu thân | Plastic, ABS |
| Vật liệu quang học | Plastic, PMMA |
| Đánh giá bao vây | IP67
IP66 |
| Nhiệt độ môi trường xung quanh | –40 °C … +60 °C |
| Nhiệt độ bảo quản xung quanh | –40 °C … +75 °C |
| UL File No. | NRKH.E181493 & NRKH7.E181493 |



