Cảm biến MM18-70A-N-ZW0
đại lý MM18-70A-N-ZW0
nhà phân phối MM18-70A-N-ZW0
Thông số kỹ thuật cảm biến tiệm cận Sick:

Sơ đồ kết nối Cd-012

Phạm vi phát hiện
Đăc tính
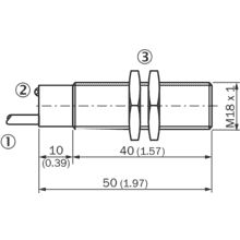
| Thân | Cylindrical thread design |
| Kích thước | M18 x 1 |
| Đường kính | Ø 18 mm |
| Phạm vi đo cảm biến Sn | 5 mm … 70 mm |
| Phạm vi cảm biến an toàn Sa | 56.7 mm |
| Độ nhạy từ tính | ≤ 0.7 mT |
| Chuyển đổi thường xuyên | 5,000 Hz |
| Kiểu kết nối | Cable, 2-wire, 2 m |
| Chuyển đổi đầu ra | NAMUR |
| Output characteristic | Control current depending on switching state according to NAMUR EN 60947-5-6 |
| Dây điện | DC 2-wire |
| Căn chỉnh từ tính | Axial |
| Enclosure rating | IP67 |
Cơ khí/ Điện tử
| Ripple | ≤ 5 % |
| Thời gian trễ trước khi có sẵn | ≤ 2 ms |
| Độ trễ | 1 % … 10 % |
| Khả năng tái lập | ≤ 1 % |
| Temperature drift (of Sr) | ± 10 % |
| EMC | According to EN 60947-5-2 |
| Mức tiêu thụ hiện tại, sensor is activated | ≥ 2.5 mA |
| Mức tiêu thụ hiện tại, sensor is not activated | ≤ 1 mA |
| Cable material | PVC |
| Conductor size | 0.34 mm² |
| Cable resistance | ≤ 50 Ω |
| Wire-break protection | ✔ |
| Bảo vệ ngắn mạch | ✔ |
| Bảo vệ phân cực ngược | ✔ |
| Chống sốc và rung | 30 g, 11 ms / 10 … 55 Hz, 1 mm |
| Nhiệt độ môi trường xung quanh | –25 °C … +70 °C |
| Vật liệu thân | Metal, Nickel-plated brass |
| Chiều dài thân cảm biến | 50 mm |
| Thread length | 40 mm |
| Tightening torque, max. | ≤ 25 Nm |
| Items supplied | Mounting nut, brass, nickel-plated (2x) |
| EC Approval Certificate | TÜV 99 ATEX 1398 |
| ATEX marking | EX II 2G Ex ib IIC T6 Gb Ta: – 25 °C … + 70 °C |
| Ex area category | 2G |
| Input voltage Ui max. | 16 V |
| Input power Pi max. | 100 mW |
| Input current Ii max. | 30 mA |
| Internal capacitance Ci max. | 15 nF |
| Internal inductance Li max. | 35 µH |
| Nominal voltage | 8.2 V DC |






