Cảm biến GRL18S-P133Y- SICK Việt Nam
đại lý GRL18S-P133Y- SICK Việt Nam
nhà phân phối GRL18S-P133Y- SICK Việt Nam
Thông số kỹ thuật cảm biến tiệm cận Sick:
| Nguyên lý cảm biến/phát hiện | Photoelectric retro-reflective sensor, Dual lens | ||||||||||||||||||||||||||||||||||||||||||||
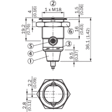
| Kích thước (W x H x D) | 18 mm x 18 mm x 38.1 mm | ||||||||||||||||||||||||||||||||||||||||||||
| Thân design (light emission) | Cylindrical | ||||||||||||||||||||||||||||||||||||||||||||
| Thread diameter (housing) | M18 x 1 | ||||||||||||||||||||||||||||||||||||||||||||
| Optical axis | Axial, fully flush | ||||||||||||||||||||||||||||||||||||||||||||
| Phạm vi đo cảm biến max. | 0.03 m … 7.2 m | ||||||||||||||||||||||||||||||||||||||||||||
| Phạm vi đo cảm biến | 0.06 m … 6 m | ||||||||||||||||||||||||||||||||||||||||||||
| Loại ánh sáng | Visible red light | ||||||||||||||||||||||||||||||||||||||||||||
| Nguồn sáng | PinPoint LED | ||||||||||||||||||||||||||||||||||||||||||||
| Kích thước điểm sáng (khoảng cách) | Ø 175 mm (7 m) | ||||||||||||||||||||||||||||||||||||||||||||
| Chiều dài sóng | 650 nm | ||||||||||||||||||||||||||||||||||||||||||||
| Điều chỉnh | None |
| Nguồn điện | 10 V DC … 30 V DC |
| Gợn sóng | ± 5 Vpp |
| Mức tiêu thụ hiện tại | 30 mA |
| Chuyển đổi đầu ra | PNP |
| Chuyển đổi chế độ | Light switching |
| Signal voltage PNP HIGH/LOW | VS – (≤ 3 V) / approx. 0 V |
| Dòng điện đầu ra Imax. | 100 mA |
| Thời gian đáp ứng | < 500 µs |
| Chuyển đổi thường xuyên | 1,000 Hz |
| Kiểu kết nối | Cable, 3-wire, 2 m |
| Vật liệu cáp | PVC |
| Bảo vệ mạch | A 7)
B 8) D 9) |
| Protection class | III |
| Bộ lọc phân cực | ✔ |
| Vật liệu thân | Metal, Nickel-plated brass and ABS |
| Vật liệu quang học | Plastic, PMMA |
| Đánh giá bao vây | IP67 |
| Items supplied | Fastening nuts (2 x) |
| EMC | EN 60947-5-2 |
| Nhiệt độ môi trường xung quanh | –25 °C … +55 °C 10) |
| Nhiệt độ bảo quản xung quanh | –40 °C … +70 °C |
| UL File No. | NRKH.E348498 & NRKH7.E348498 |








