Cảm biến WTB2S-2N1310
đại lý WTB2S-2N1310
nhà phân phối WTB2S-2N1310
Thông số kỹ thuật cảm biến tiệm cận Sick:
| Nguyên lý cảm biến/phát hiện | Photoelectric proximity sensor, Background suppression | ||||||||||||||||||||||||||||||||||||
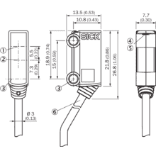
| Kích thước (W x H x D) | 7.7 mm x 21.8 mm x 13.5 mm | ||||||||||||||||||||||||||||||||||||
| Thân design (light emission) | Rectangular | ||||||||||||||||||||||||||||||||||||
| Phạm vi đo cảm biến max. | 1 mm … 18 mm | ||||||||||||||||||||||||||||||||||||
| Phạm vi đo cảm biến | 3 mm … 15 mm | ||||||||||||||||||||||||||||||||||||
| Background suppression typ. from | 20 mm | ||||||||||||||||||||||||||||||||||||
| Loại ánh sáng | Visible red light | ||||||||||||||||||||||||||||||||||||
| Nguồn sáng | PinPoint LED | ||||||||||||||||||||||||||||||||||||
| Kích thước điểm sáng (khoảng cách) | Ø 2 mm (8 mm) | ||||||||||||||||||||||||||||||||||||
| Chiều dài sóng | 640 nm | ||||||||||||||||||||||||||||||||||||
| Điều chỉnh | None | ||||||||||||||||||||||||||||||||||||
| Special applications | Detecting small objects |
| Nguồn điện | 10 V DC … 30 V DC |
| Gợn sóng | ≤ 5 Vpp |
| Mức tiêu thụ hiện tại | 20 mA |
| Chuyển đổi đầu ra | NPN |
| Chuyển đổi chế độ | Light switching |
| Dòng điện đầu ra Imax. | < 50 mA |
| Thời gian đáp ứng | < 0.4 ms |
| Chuyển đổi thường xuyên | 1,200 Hz |
| Kiểu kết nối | Cable, 3-wire, 2 m |
| Vật liệu cáp | PVC |
| Cable diameter | Ø 3 mm |
| Bảo vệ mạch | A 7)
B 8) D 9) |
| Vật liệu thân | Plastic, ABS/PC |
| Vật liệu quang học | Plastic, PMMA |
| Đánh giá bao vây | IP67 |
| Nhiệt độ môi trường xung quanh | –25 °C … +50 °C |
| Nhiệt độ bảo quản xung quanh | –40 °C … +75 °C |
| UL File No. | NRKH.E181493 |







