Cảm biến WSE12-3P1131
đại lý WSE12-3P1131
nhà phân phối WSE12-3P1131
Thông số kỹ thuật cảm biến tiệm cận Sick:
| Nguyên lý cảm biến/phát hiện | Through-beam photoelectric sensor | ||||||||||||||||||||||||||||||||||||||||||||||||||||
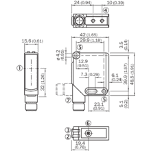
| Kích thước (W x H x D) | 15.6 mm x 48.5 mm x 42 mm | ||||||||||||||||||||||||||||||||||||||||||||||||||||
| Thân design (light emission) | Rectangular | ||||||||||||||||||||||||||||||||||||||||||||||||||||
| Phạm vi đo cảm biến max. | 0 m … 20 m | ||||||||||||||||||||||||||||||||||||||||||||||||||||
| Phạm vi đo cảm biến | 0 m … 15 m | ||||||||||||||||||||||||||||||||||||||||||||||||||||
| Loại ánh sáng | Visible red light | ||||||||||||||||||||||||||||||||||||||||||||||||||||
| Nguồn sáng | LED | ||||||||||||||||||||||||||||||||||||||||||||||||||||
| Kích thước điểm sáng (khoảng cách) | Ø 220 mm (15 m) | ||||||||||||||||||||||||||||||||||||||||||||||||||||
| Angle of dispersion | Approx. 1.5° | ||||||||||||||||||||||||||||||||||||||||||||||||||||
| Chiều dài sóng | 640 nm | ||||||||||||||||||||||||||||||||||||||||||||||||||||
| Điều chỉnh | Potentiometer, 5 turns |
| Nguồn điện | 10 V DC … 30 V DC |
| Gợn sóng | ≤ 5 Vpp |
| Power consumption, sender | ≤ 30 mA |
| Power consumption, receiver | ≤ 15 mA |
| Chuyển đổi đầu ra | PNP |
| Đầu ra | Complementary |
| Chuyển đổi chế độ | Light/dark switching |
| Signal voltage PNP HIGH/LOW | > Uv – 2,5 V / ca. 0 V |
| Dòng điện đầu ra Imax. | 100 mA |
| Thời gian đáp ứng | ≤ 330 µs |
| Chuyển đổi thường xuyên | 1,500 Hz |
| Kiểu kết nối | Cable, 4-wire, 2 m |
| Vật liệu cáp | PVC |
| Conductor cross-section | 0.25 mm² |
| Bảo vệ mạch | A 7)
C 8) D 9) |
| Protection class | III |
| Khối lượng | 200 g |
| Vật liệu thân | Metal |
| Vật liệu quang học | Plastic, PMMA |
| Đánh giá bao vây | IP66
IP67 IP69K |
| Items supplied | 2 x clamps BEF-KH-W12, incl. screws |
| Test input sender off | TE to 0 V |
| Nhiệt độ môi trường xung quanh | –40 °C … +60 °C |
| Nhiệt độ bảo quản xung quanh | –40 °C … +75 °C |
| UL File No. | NRKH.E181493 & NRKH7.E181493 |
| Part number of individual components | 2044880 WSE12-3 2045601 WS12-3D1130 |








