Cảm biến WLA16P-34162100A00
đại lý WLA16P-34162100A00
nhà phân phối WLA16P-34162100A00
Thông số kỹ thuật cảm biến tiệm cận Sick:
| Nguyên lý cảm biến/phát hiện | Photoelectric retro-reflective sensor, autocollimation | ||||||||||||||||||||||||||||||||||||||||||||||||||
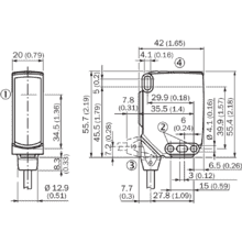
| Kích thước (W x H x D) | 20 mm x 55.7 mm x 42 mm | ||||||||||||||||||||||||||||||||||||||||||||||||||
| Thân design (light emission) | Rectangular | ||||||||||||||||||||||||||||||||||||||||||||||||||
| Phạm vi đo cảm biến max. | 0 m … 10 m | ||||||||||||||||||||||||||||||||||||||||||||||||||
| Loại ánh sáng | Visible red light | ||||||||||||||||||||||||||||||||||||||||||||||||||
| Nguồn sáng | PinPoint LED | ||||||||||||||||||||||||||||||||||||||||||||||||||
| Kích thước điểm sáng (khoảng cách) | Ø 80 mm (5 m) | ||||||||||||||||||||||||||||||||||||||||||||||||||
| Chiều dài sóng | 635 nm | ||||||||||||||||||||||||||||||||||||||||||||||||||
|
|||||||||||||||||||||||||||||||||||||||||||||||||||
|
|||||||||||||||||||||||||||||||||||||||||||||||||||
| Pin 2 configuration | External input, Teach-in, switching signal | ||||||||||||||||||||||||||||||||||||||||||||||||||
| Nguồn điện | 10 V DC … 30 V DC |
| Gợn sóng | ≤ 5 Vpp |
| Mức tiêu thụ hiện tại | 30 mA
50 mA |
| Chuyển đổi đầu ra | PUSH/PULL
PNP NPN |
| Output: QL1 / C | Chuyển đổi đầu ra or IO-Link mode |
| Đầu ra | Factory setting: Pin 2 / white (MF): NPN normally closed (light switching), PNP normally open (dark switching), Pin 4 / black (QL1 / C): NPN normally open (dark switching), PNP normally closed (light switching), IO-Link |
| Chuyển đổi chế độ | Light/dark switching |
| Signal voltage PNP HIGH/LOW | Approx. VS – 2.5 V / 0 V |
| Signal voltage NPN HIGH/LOW | Approx. VS / < 2.5 V |
| Dòng điện đầu ra Imax. | ≤ 100 mA |
| Thời gian đáp ứng | ≤ 500 µs |
| Chuyển đổi thường xuyên | 1,000 Hz |
| Kiểu kết nối | Cable with M12 male connector, 4-pin, 270 mm |
| Vật liệu cáp | PVC |
| Bảo vệ mạch | A 7)
B 8) C 9) D 10) |
| Protection class | III |
| Khối lượng | 70 g |
| Bộ lọc phân cực | ✔ |
| IO-Link | ✔ |
| Vật liệu thân | Plastic, VISTAL® |
| Vật liệu quang học | Plastic, PMMA |
| Đánh giá bao vây | IP66 (According to EN 60529)
IP67 (According to EN 60529) IP69 (According to EN 60529) 1 |
| Nhiệt độ môi trường xung quanh | –40 °C … +60 °C |
| Nhiệt độ bảo quản xung quanh | –40 °C … +75 °C |
| UL File No. | NRKH.E181493 & NRKH7.E181493 |

















