Cảm biến SMT 9020C-IO TP 0.1-J5
đại lý telco | đại lý SMT 9020C-IO TP 0.1-J5
nhà phân phối SMT 9020C-IO TP 0.1-J5
Thông số kỹ thuật cảm biến Telco:
| Chế độ hoạt động | Thru Beam |
| Chức năng | Transmitter |
| Nguồn cấp | 10 – 30 V dc |
| Nguồn sáng | Infrared (880 nm) |
| Tính năng điều khiển | Adjustable range and test input |
| Phạm vi cảm biến | 20 m |
| Vật liệu | M18 x 1 |
| Vật liệu Material | Plastic |
| Kết nối | 0.1 m cable with 5 pin, M12 |
| Features | IO-Link communication port |
Thông số kỹ thuật Telco sensor:
| Channel Nº | Selectable 4 channels selectable via IO-Link |
| Nguồn cấp | 10 – 30 V dc |
| Gợn điện áp | 15 % |
| Phân cực ngược được bảo vệ | Yes |
| Mức tiêu thụ hiện tại | 40 mA |
| Test Input | Yes |
| Control Input | Adjustable range |
| Chỉ báo bật nguồn | Green LED |
| Nguồn sáng | Infrared (880 nm) |
| Emission Angle | +/- 7° |
| Vật liệu Material, Front Lens | Polycarbonate |
| Vật liệu Material, Sensor Vật liệu | Polycarbonate |
| Cable | 5 x 0,14 mm² |
| Cable Sleeve | PVC Ø 4,9 mm |
Dư liệu môi trường
| Độ rung | 10 – 55 Hz, 0,5 mm |
| Chống sốc | 30 g |
| Nhiệt độ hoạt động | -20 to +60 °C |
| Nhiệt độ bảo quản | -40 to +80 °C |
| Lớp niêm phong | IP 69K |
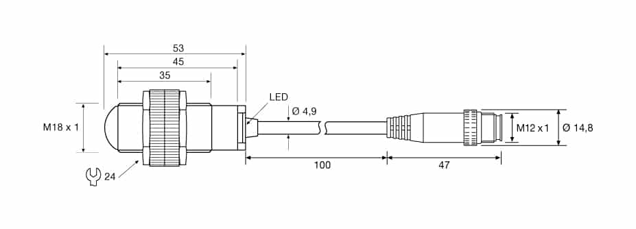
Bản vẽ kỹ thuật
-

Wiring Diagram
-

Kết nốis
-

Parallel Displacement
-

Angular Displacement
-

Kích thước
-

Excess Gain



