Cảm biến SMR 3215 TB J
đại lý telco | đại lý SMR 3215 TB J
nhà phân phối SMR 3215 TB J
Thông số kỹ thuật cảm biến Telco:
| Chế độ hoạt động | Thru Beam |
| Chức năng | Receiver |
| Nguồn cấp | 10 – 30 V dc |
| Phạm vi cảm biến | 15 m |
| Đầu ra | PNP |
| Đầu ra Status | N.C. |
| Vật liệu | M12 x 1 |
| Vật liệu Material | Nickel Plated Brass |
| Kết nối | 4 pin, M12 plug |
Thông số kỹ thuật Telco sensor:
| Nguồn cấp | 10 – 30 V dc |
| Gợn điện áp | 15 % |
| Phân cực ngược được bảo vệ | Yes |
| Ngắn mạch bảo vệ | Yes |
| Mức tiêu thụ hiện tại | Max. 8 mA |
| Max. Đầu ra Load | 100 mA |
| Điện áp dư lớn nhất | 2,5 V |
| Tần suất hoạt động lớn nhất | > 40 Hz |
| Thời gian đáp ứng ton / toff | |
| Đầu ra Indicator | Yellow LED |
| Độ trễ | Approx. 30 % |
| Góc mở | +/- 7° |
| Vật liệu Material, Front Lens | Polycarbonate |
| Vật liệu Material, Sensor Vật liệu | Nickel Plated Brass |
| Cable | 3 x 0,14 mm² |
| Cable Sleeve | PVC Ø 3,4 mm |
Dư liệu môi trường
| Độ rung | 10 – 55 Hz, 0,5 mm |
| Chống sốc | 30 g |
| Nhiệt độ hoạt động | -20 to +50 °C |
| Nhiệt độ bảo quản | -40 to +80 °C |
| Lớp niêm phong | IP 67 |
| Miễn dịch ánh sáng 5˚ | 35 000 lux |
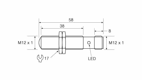
Bản vẽ kỹ thuật
-

Wiring Diagram
-

Kết nốis
-

Parallel Displacement
-

Angular Displacement
-

Kích thước



