Cảm biến MM08-60ANS-ZTK
đại lý MM08-60ANS-ZTK
nhà phân phối MM08-60ANS-ZTK
Thông số kỹ thuật cảm biến tiệm cận Sick:

Sơ đồ kết nối Cd-002

Phạm vi phát hiện

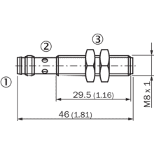
Bản vẽ kích thước MM08, kết nối, short-body housing
| Thân | Cylindrical thread design |
| Thân | Short-body |
| Kích thước | M8 x 1 |
| Đường kính | Ø 8 mm |
| Phạm vi đo cảm biến Sn | 0 mm … 60 mm |
| Phạm vi cảm biến an toàn Sa | 48.6 mm |
| Độ nhạy từ tính | ≤ 1 mT |
| Chuyển đổi thường xuyên | + 1,000 Hz |
| Kiểu kết nối | Connector M8, 3-pin |
| Chuyển đổi đầu ra | NPN |
| Đầu ra | NO |
| Dây điện | DC 3-wire |
| Căn chỉnh từ tính | Axial |
| Enclosure rating | IP67 |
Cơ khí/
| Nguồn điện | 10 V DC … 30 V DC |
| Ripple | ≤ 10 % |
| Độ sụt áp | ≤ 2 V |
| Mức tiêu thụ hiện tại | 10 mA |
| Thời gian trễ trước khi có sẵn | ≤ 20 ms |
| Độ trễ | 1 % … 10 % |
| Khả năng tái lập | ≤ 1 % |
| Temperature drift (of Sr) | ± 10 % |
| EMC | According to EN 60947-5-2 |
| Dòng điện liên tục Ia | ≤ 200 mA |
| Bảo vệ ngắn mạch | ✔ |
| Bảo vệ phân cực ngược | ✔ |
| Power-up xung bảo vệ | ✔ |
| Chống sốc và rung | 30 g, 11 ms / 10 … 55 Hz, 1 mm |
| Nhiệt độ môi trường xung quanh | –25 °C … +75 °C |
| Vật liệu thân | Metal, Nickel-plated brass |
| Chiều dài thân cảm biến | 46 mm |
| Thread length | 29.5 mm |
| Tightening torque, max. | 6 Nm |
| Items supplied | Mounting nut, brass, nickel-plated (2x) |






