Cảm biến GRTE18-N2442
đại lý GRTE18-N2442
nhà phân phối GRTE18-N2442
Thông số kỹ thuật cảm biến tiệm cận Sick:
| Nguyên lý cảm biến/phát hiện | Photoelectric proximity sensor, Energetic | ||||||||||||||||||||||||||||||||||||||||||
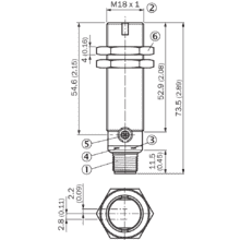
| Kích thước (W x H x D) | 18 mm x 18 mm x 73.5 mm | ||||||||||||||||||||||||||||||||||||||||||
| Thân design (light emission) | Cylindrical | ||||||||||||||||||||||||||||||||||||||||||
| Thread diameter (housing) | M18 x 1 | ||||||||||||||||||||||||||||||||||||||||||
| Optical axis | Axial | ||||||||||||||||||||||||||||||||||||||||||
| Phạm vi đo cảm biến max. | 5 mm … 550 mm | ||||||||||||||||||||||||||||||||||||||||||
| Phạm vi đo cảm biến | 10 mm … 400 mm | ||||||||||||||||||||||||||||||||||||||||||
| Loại ánh sáng | Visible red light | ||||||||||||||||||||||||||||||||||||||||||
| Nguồn sáng | PinPoint LED | ||||||||||||||||||||||||||||||||||||||||||
| Kích thước điểm sáng (khoảng cách) | Ø 9 mm (400 mm) | ||||||||||||||||||||||||||||||||||||||||||
| Chiều dài sóng | 650 nm | ||||||||||||||||||||||||||||||||||||||||||
| Điều chỉnh | Potentiometer |
| Nguồn điện | 10 V DC … 30 V DC |
| Gợn sóng | ± 5 Vpp |
| Mức tiêu thụ hiện tại | 30 mA |
| Chuyển đổi đầu ra | NPN |
| Đầu ra | Complementary |
| Chuyển đổi chế độ | Light/dark switching |
| Signal voltage PNP HIGH/LOW | VS – (≤ 3 V) / approx. 0 V |
| Dòng điện đầu ra Imax. | 100 mA |
| Thời gian đáp ứng | < 1,000 µs |
| Chuyển đổi thường xuyên | 500 Hz |
| Kiểu kết nối | Male connector M12, 4-pin |
| Bảo vệ mạch | A
B 7) D 8) |
| Protection class | III |
| Vật liệu thân | Metal, Nickel-plated brass and ABS |
| Vật liệu quang học | Plastic, PMMA |
| Đánh giá bao vây | IP67 |
| Items supplied | Fastening nuts (2 x) |
| EMC | EN 60947-5-2 |
| Nhiệt độ môi trường xung quanh | –25 °C … +55 °C 9) |
| Nhiệt độ bảo quản xung quanh | –40 °C … +70 °C |
| UL File No. | E348498 |









