Cảm biến GRTB18S-P2412V
đại lý GRTB18S-P2412V
nhà phân phối GRTB18S-P2412V
Thông số kỹ thuật cảm biến tiệm cận Sick:
| Nguyên lý cảm biến/phát hiện | Photoelectric proximity sensor, Background suppression | ||||||||||||||||||||||||||||||||||||||||||||||
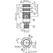
| Kích thước (W x H x D) | 18 mm x 18 mm x 55.9 mm | ||||||||||||||||||||||||||||||||||||||||||||||
| Thân design (light emission) | Cylindrical | ||||||||||||||||||||||||||||||||||||||||||||||
| Chiều dài thân cảm biến | 55.9 mm | ||||||||||||||||||||||||||||||||||||||||||||||
| Thread length | 31.7 mm | ||||||||||||||||||||||||||||||||||||||||||||||
| Thread diameter (housing) | M18 x 1 | ||||||||||||||||||||||||||||||||||||||||||||||
| Optical axis | Axial | ||||||||||||||||||||||||||||||||||||||||||||||
| Phạm vi đo cảm biến max. | 3 mm … 300 mm | ||||||||||||||||||||||||||||||||||||||||||||||
| Phạm vi đo cảm biến | 20 mm … 150 mm | ||||||||||||||||||||||||||||||||||||||||||||||
| Loại ánh sáng | Visible red light | ||||||||||||||||||||||||||||||||||||||||||||||
| Nguồn sáng | PinPoint LED | ||||||||||||||||||||||||||||||||||||||||||||||
| Kích thước điểm sáng (khoảng cách) | Ø 7 mm (100 mm) | ||||||||||||||||||||||||||||||||||||||||||||||
| Chiều dài sóng | 650 nm | ||||||||||||||||||||||||||||||||||||||||||||||
| Điều chỉnh | Potentiometer, 270° | ||||||||||||||||||||||||||||||||||||||||||||||
| Special applications | Hygienic and washdown zones |
| Nguồn điện | 10 V DC … 30 V DC |
| Gợn sóng | ± 5 Vpp |
| Power consumption | 30 mA |
| Chuyển đổi đầu ra | PNP |
| Đầu ra | Complementary |
| Chuyển đổi chế độ | Light/dark switching |
| Signal voltage PNP HIGH/LOW | VS – (≤ 3 V) / approx. 0 V |
| Dòng điện đầu ra Imax. | 100 mA |
| Thời gian đáp ứng | < 500 µs |
| Chuyển đổi thường xuyên | 1,000 Hz |
| Kiểu kết nối | Male connector M12, 4-pin |
| Bảo vệ mạch | A 7)
B 8) D 9) |
| Protection class | III |
| Khối lượng | 45 g |
| Vật liệu thân | Stainless steel, Stainless steel V4A (1.4404, 316L) |
| Vật liệu quang học | Plastic, PMMA |
| Tightening torque, max. | 90 Nm |
| Đánh giá bao vây | IP67
IP68 10) IP69K 1 |
| Items supplied | Fastening nuts (2 x) |
| EMC | EN 60947-5-2 |
| Nhiệt độ môi trường xung quanh | –25 °C … +55 °C 1 |
| Nhiệt độ bảo quản xung quanh | –30 °C … +75 °C |
| UL File No. | NRKH.E348498 & NRKH7.E348498 |









