Cảm biến GRSE18S-P1142
đại lý GRSE18S-P1142
nhà phân phối GRSE18S-P1142
Thông số kỹ thuật cảm biến tiệm cận Sick:
| Nguyên lý cảm biến/phát hiện | Through-beam photoelectric sensor | ||||||||||||||||||||||||||||||||||||||||||||||
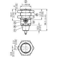
| Kích thước (W x H x D) | 18 mm x 18 mm x 38.1 mm | ||||||||||||||||||||||||||||||||||||||||||||||
| Thân design (light emission) | Cylindrical | ||||||||||||||||||||||||||||||||||||||||||||||
| Thread diameter (housing) | M18 x 1 | ||||||||||||||||||||||||||||||||||||||||||||||
| Optical axis | Axial | ||||||||||||||||||||||||||||||||||||||||||||||
| Phạm vi đo cảm biến max. | 0 m … 15 m | ||||||||||||||||||||||||||||||||||||||||||||||
| Phạm vi đo cảm biến | 0 m … 10 m | ||||||||||||||||||||||||||||||||||||||||||||||
| Loại ánh sáng | Visible red light | ||||||||||||||||||||||||||||||||||||||||||||||
| Nguồn sáng | PinPoint LED | ||||||||||||||||||||||||||||||||||||||||||||||
| Kích thước điểm sáng (khoảng cách) | Ø 250 mm (10 m) | ||||||||||||||||||||||||||||||||||||||||||||||
| Chiều dài sóng | 650 nm | ||||||||||||||||||||||||||||||||||||||||||||||
| Điều chỉnh | Potentiometer, 270° Potentiometer |
| Nguồn điện | 10 V DC … 30 V DC |
| Gợn sóng | ± 5 Vpp |
| Mức tiêu thụ hiện tại | 30 mA |
| Chuyển đổi đầu ra | PNP |
| Đầu ra | Complementary |
| Chuyển đổi chế độ | Light/dark switching |
| Dòng điện đầu ra Imax. | 100 mA |
| Thời gian đáp ứng | < 500 µs |
| Chuyển đổi thường xuyên | 1,000 Hz |
| Kiểu kết nối | Cable, 4-wire, 2 m |
| Vật liệu cáp | PVC |
| Bảo vệ mạch | A 7)
B 8) D 9) |
| Protection class | III |
| Vật liệu thân | Metal, Nickel-plated brass and ABS |
| Vật liệu quang học | Plastic, PMMA |
| Đánh giá bao vây | IP67 |
| Items supplied | Fastening nuts (4 x) |
| EMC | EN 60947-5-2 |
| Test input | Sender OFF at “Test” 0 V |
| Nhiệt độ môi trường xung quanh | –25 °C … +55 °C 10) |
| Nhiệt độ bảo quản xung quanh | –40 °C … +70 °C |
| UL File No. | NRKH.E348498 & NRKH7.E348498 |
| Part number of individual components | 2075623 GRS18S-D1341 2075658 GRE18S-P1132 |









