Cảm biến GRSE18-P2422
đại lý GRSE18-P2422
nhà phân phối GRSE18-P2422
Thông số kỹ thuật cảm biến tiệm cận Sick:
| Nguyên lý cảm biến/phát hiện | Through-beam photoelectric sensor | ||||||||||||||||||||||||||||||||||||||||||||||
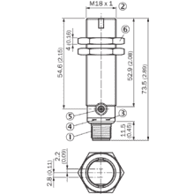
| Kích thước (W x H x D) | 18 mm x 18 mm x 73.5 mm | ||||||||||||||||||||||||||||||||||||||||||||||
| Thân design (light emission) | Cylindrical | ||||||||||||||||||||||||||||||||||||||||||||||
| Thread diameter (housing) | M18 x 1 | ||||||||||||||||||||||||||||||||||||||||||||||
| Optical axis | Axial | ||||||||||||||||||||||||||||||||||||||||||||||
| Phạm vi đo cảm biến max. | 0 m … 15 m | ||||||||||||||||||||||||||||||||||||||||||||||
| Phạm vi đo cảm biến | 0 m … 10 m | ||||||||||||||||||||||||||||||||||||||||||||||
| Loại ánh sáng | Infrared light | ||||||||||||||||||||||||||||||||||||||||||||||
| Nguồn sáng | LED | ||||||||||||||||||||||||||||||||||||||||||||||
| Kích thước điểm sáng (khoảng cách) | Ø 420 mm (10 m) | ||||||||||||||||||||||||||||||||||||||||||||||
| Chiều dài sóng | 850 nm | ||||||||||||||||||||||||||||||||||||||||||||||
| Điều chỉnh | Potentiometer |
| Nguồn điện | 10 V DC … 30 V DC |
| Gợn sóng | ± 5 Vpp |
| Mức tiêu thụ hiện tại | 30 mA |
| Chuyển đổi đầu ra | PNP |
| Đầu ra | Complementary |
| Chuyển đổi chế độ | Light/dark switching |
| Signal voltage PNP HIGH/LOW | VS – (≤ 3 V) / approx. 0 V |
| Dòng điện đầu ra Imax. | 100 mA |
| Thời gian đáp ứng | < 500 µs |
| Chuyển đổi thường xuyên | 1,000 Hz |
| Kiểu kết nối | Male connector M12, 4-pin |
| Bảo vệ mạch | A
B 7) D 8) |
| Protection class | III |
| Vật liệu thân | Metal, Nickel-plated brass and ABS |
| Vật liệu quang học | Plastic, PMMA |
| Đánh giá bao vây | IP67 |
| Items supplied | Fastening nuts (4 x) |
| EMC | EN 60947-5-2 |
| Test input | Sender OFF at “Test” 0 V |
| Nhiệt độ môi trường xung quanh | –25 °C … +55 °C 9) |
| Nhiệt độ bảo quản xung quanh | –40 °C … +70 °C |
| UL File No. | E348498 |
| Part number of individual components | 2074065 GRS18-D2421 2074074 GRE18-P2412 |









